8172785-MS6-SV-1/2-C-10V24-S-AD7 Basınçlandırma ve hava Tahliye Valfi
Tahmini Teslimat: Tahmini teslimat tarihi: 24 Kasım 2025
Fiyatı görmek için giriş yapın
Stokta var
Açıklama
- SeriMS
- Boyut6
- Izgara ölçüsü62 mm
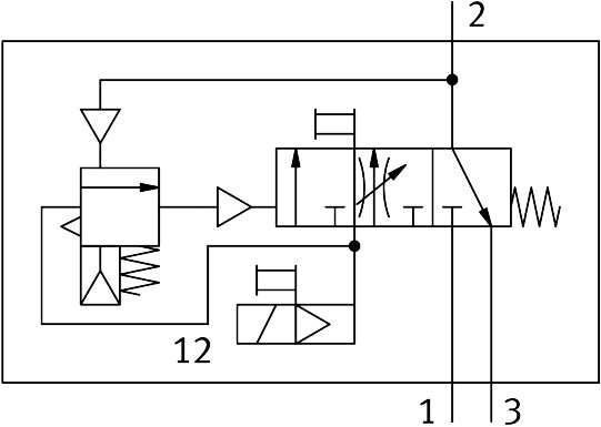
- Güvenlik fonksiyonuHava tahliyesi Beklenmeyen başlatmanın önlenmesi (basınçlandırma)
- Performans seviyesi (PL)Tahliye / Kategori 1, Performans Seviyesi c Beklenmeyen başlatmanın önlenmesi (basınçlandırma) / Kategori 1, Performans Düzeyi c
- Zorunlu dinamizasyon hakkında notAnahtarlama frekansı en az 1/ay
- TasarımPiston sürgüsü
- Örtüşmepozitif kapsama
- Çalıştırma türüelektrikli
- Pilot hava beslemesidahili
- Sızdırmazlık prensibiyumuşak
- Hava tahliye fonksiyonukısılamaz
- Manuel kumandaPilot solenoid valfte: Basınçlandırma ve hava tahliye valfinde basmalı: kilitlemeli, yay dönüşlü
- Geri alma türümekanik yay
- Kontrol türüpilot kumandalı
- Sembol00995813
- Valf fonksiyonuBasınçlandırma işlevi
- Çalışma basıncı0.3 MPa … 1 MPa
- Çalışma basıncı3 bar … 10 bar
- Basınç göstergesianahtarlama göstegeli basınç sensörü ile
- C değeri23.2 l/sbar
- b değeri0.4
- Standart nominal debi (DIN 1343’e göre normalleştirilmiş)5700 l/dak
- Normal akış hızı hava tahliyesi 0,6-> 0 MPa (6-> 0 bar, 87-> 0 psi)7600 l/dak
- Kapama anahtarlama süresi65 ms
- Açma anahtarlama süresi370 ms
- Devreye girme süresi100%
- Bobin karakteristik değerleri24 V DC: 1,8 W
- İzin verilen gerilim dalgalanmaları+/- 10%
- İşletim ortamıISO 8573-1:2010 [7:4:4] uyarınca basınçlı hava
- İşletim / kontrol ortamı hakkında notYağlı işletim mümkün (diğer işletimde gerekli)
- Korozyon direnci sınıfı KBK2 – orta derece korozyona maruziyet
- Malzeme hakkında notRoHS uyumlu
- LABS uygunluğuVDMA24364-B1/B2-L
- Koruma türüIP65 soketli
- Şok direnciFN 942017-5 ve EN 60068-2-27’ye göre şiddet seviyesi 2 ile şok testi
- Osilasyon direnciFN 942017-4 ve EN 60068-2-6 uyarınca şiddet seviyesi 2 ile nakliye uygulama testi
- CE işareti (bkz. Uygunluk Beyanı)AB EMC direktifine göre AB makine direktifine göre AB RoHS direktifine göre
- UKCA işareti (bkz. Uygunluk Beyanı)EMC için Birleşik Krallık düzenlemelerine göre Birleşik Krallık makine düzenlemelerine göre Birleşik Krallık RoHS düzenlemelerine göre
- Gıdaya uygunlukbkz. Gelişmiş yapı malzemesi bilgisi
- Montaj türüHat kurulumu aksesuarlarla
- Montaj konumuherhangi bir
- Ürün ağırlığı1006 g
- Pnömatik bağlantı 1G1/2
- Pnömatik bağlantı 2G1/2
- Pnömatik bağlantı 3G3/4
- Elektrik bağlantısı2 kutuplu C formu Soket EN 175301-803 uyarınca
- Gövde malzemesiAlüminyum pres döküm
- Sızdırmazlık elemanları malzemesiNBR
- Piston mili malzemesiyüksek alaşımlı paslanmaz çelik



















