8098311-MS6-LFR-1/2-D6-E-P-M-A8-B Filtre-Regülatör
Tahmini Teslimat: Tahmini teslimat tarihi: 28 Ocak 2026
Fiyatı görmek için giriş yapın
Stokta var
Açıklama
- Boyut6
- SeriMS
- Çalıştırma emniyetiKilitli döner düğme
- Montaj konumudikey +/- 5 °
- Filtre hassasiyeti40 µm
- Su tahliyeelle dönen
- TasarımManometresiz filtre regülatörü direkt kumandalı piston kontrol valfi
- Maks. yoğuşma miktarı27.3 ml
- Regülatör işleviSabit çıkış basıncı ikincil hava tahliyesi ile ters akım davranışı ile
- Kondensat ayırma derecesi>75 %
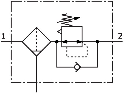
- Sembol00991590
- Basınç göstergesiG1/8 hazırlandı
- Çalışma basıncı0.1 MPa … 1 MPa
- Çalışma basıncı1 bar … 10 bar
- Basınç kontrol aralığı0.3 bar … 7 bar
- Maks. basınç histerezi0.035 MPa
- Maks. basınç histerezi0.35 bar
- Maks. basınç histerezi5.075 psi
- Standart nominal debi (DIN 1343’e göre normalleştirilmiş)5300 l/dak
- İşletim ortamıISO 8573-1:2010 [7:4:4] uyarınca basınçlı hava Soy gazlar
- İşletim / kontrol ortamı hakkında notEster yağı ile uyumlu değildir
- Korozyon direnci sınıfı KBK1 – korozyona düşük maruziyet
- LABS uygunluğuVDMA24364-B1/B2-L
- Temiz oda sınıfıISO 14644-1 uyarınca Sınıf 7
- Depolama sıcaklığı-5 °C … 50 °C
- Çıkışta hava saflığı sınıfıISO 8573-1:2010 [7:4:4] uyarınca basınçlı hava
- Akışkan sıcaklığı-5 °C … 50 °C
- Ortam sıcaklığı-5 °C … 50 °C
- Gözenek boyutu40 µm
- Ürün ağırlığı578 g
- Montaj türüÖn panel montajı Hat kurulumu aksesuarlarla
- Pnömatik bağlantı 1G1/2
- Pnömatik bağlantı 2G1/2
- Malzeme hakkında notRoHS uyumlu
- Sızdırmazlık elemanları malzemesiNBR
- Düğme malzemesiPOM
- Yay malzemesiyüksek alaşımlı çelik Galvanize çelik
- Filtre malzemesiPE
- Gövde malzemesiPA takviyeli
- Kabuk malzemesiPC
- Valf pistonu malzemesiPOM
























