564888-MS12-LR-G-PE6 Regülatör
Tahmini Teslimat: Tahmini teslimat tarihi: 27 Ocak 2026
Fiyatı görmek için giriş yapın
Stokta var
Açıklama
- Boyut12
- SeriMS
- Montaj konumuherhangi bir
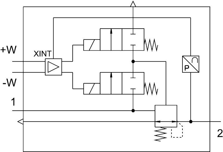
- Tasarımpilot kumandalı diyaframlı regülatör valfi
- Regülatör işleviSabit çıkış basıncı ön basınç kompanzasyonu ile ikincil hava tahliyesi ile ters akım davranışı ile
- Sembol00991856
- Basınç göstergesimanometre ile
- Çalışma basıncı0.115 MPa … 0.8 MPa
- Çalışma basıncı1.15 bar … 8 bar
- Basınç kontrol aralığı0.15 bar … 6 bar
- Maks. basınç histerezi0.004 MPa
- Maks. basınç histerezi0.04 bar
- Maks. basınç histerezi0.58 psi
- İkincil hava tahliyesi akışı≤600 l/dak
- Standart nominal debi (DIN 1343’e göre normalleştirilmiş)12000 l/dak … 21000 l/dak
- Çalışma gerilimi aralığı DC21.6 V … 26.4 V
- Maks. elektrik güç tüketimi3.6 W
- Maks. akım tüketimi0.15 A
- Nominal çalışma gerilimi DC24 V
- Artakalan dalgalanma% 10
- Analog giriş sinyal aralığı0 – 10 V
- KC işaretiKC-EMC
- CE işareti (bkz. Uygunluk Beyanı)AB EMC direktifine göre AB RoHS direktifine göre
- UKCA işareti (bkz. Uygunluk Beyanı)EMC için Birleşik Krallık düzenlemelerine göre Birleşik Krallık RoHS düzenlemelerine göre
- İşletim ortamıISO 8573-1:2010 [7:4:4] uyarınca basınçlı hava Soy gazlar
- Korozyon direnci sınıfı KBK2 – orta derece korozyona maruziyet
- LABS uygunluğuVDMA24364-B1/B2-L
- Depolama sıcaklığı-10 °C … 60 °C
- Akışkan sıcaklığı10 °C … 50 °C
- Koruma türüIP65
- Ortam sıcaklığı10 °C … 50 °C
- Ürün ağırlığı4000 g
- Montaj türüHat kurulumu montaj köşebenti ile
- Pnömatik bağlantı 1Bağlantı plakası
- Pnömatik bağlantı 2Bağlantı plakası
- Kapak malzemesiPA
- Malzeme hakkında notRoHS uyumlu
- Alt kapak malzemesiDövme alüminyum alaşım
- Sızdırmazlık elemanları malzemesiNBR
- Yay malzemesiyay çeliği
- Gövde malzemesiAlüminyum pres döküm
- Diyafram malzemesiNBR
- Valf pistonu malzemesiDövme alüminyum alaşım NBR yüksek alaşımlı paslanmaz çelik


















