541498-MS12-DE-G-V24 Güvenli Yol Verme Valfi
Tahmini Teslimat: Tahmini teslimat tarihi: 14 Şubat 2026
Fiyatı görmek için giriş yapın
Stokta var
Açıklama
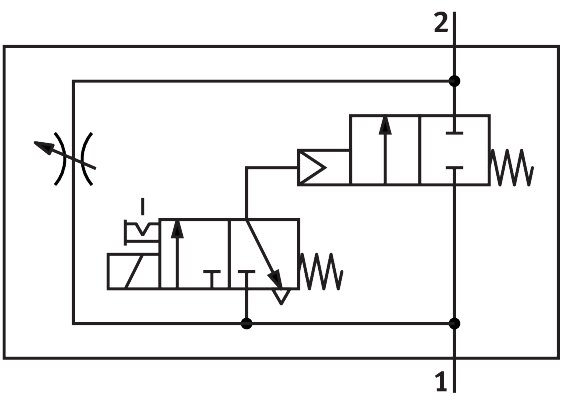
- Hava tahliye fonksiyonukısılabilir
- Çalıştırma türüelektrikli
- Montaj konumuherhangi bir
- Manuel kumandakilitlemeli basmalı
- TasarımPiston yuvası
- Geri alma türümekanik yay
- Kontrol türüpilot kumandalı
- Pilot hava beslemesidahili
- Akış yönütersine çevrilemez
- Sembol00991501
- Valf fonksiyonu2/2
- Anahtarlama konumu göstergesiaksesuarlar ile
- Çalışma basıncı3 bar … 16 bar
- Standart nominal debi (DIN 1343’e göre normalleştirilmiş)25000 l/dak … 42000 l/dak
- Devreye girme süresi100%
- Bobin karakteristik değerleri24 V DC: 8,4 W 42 V AC: 50 Hz, başlatma gücü 14,0 VA, tutma gücü 10,0 VA 42 V AC: 60 Hz, toplama gücü 12,0 VA, tutma gücü 7,0 VA
- İşletim ortamıISO 8573-1:2010 [-:-:-] uyarınca basınçlı hava
- Korozyon direnci sınıfı KBK2 – orta derece korozyona maruziyet
- LABS uygunluğuVDMA24364-B1/B2-L
- Akışkan sıcaklığı-10 °C … 50 °C
- Koruma türüIP65
- Ortam sıcaklığı-10 °C … 50 °C
- Ürün ağırlığı3800 g
- Elektrik bağlantısıDIN EN 175301-803’e göre kare tasarım
- Sinyal durumu göstergesiaksesuarlarla
- Montaj türüHat kurulumu aksesuarlarla
- Pnömatik bağlantı 1Manifold modülü
- Pnömatik bağlantı 2Manifold modülü
- Sızdırmazlık elemanları malzemesiNBR
- Gövde malzemesiAlüminyum pres döküm







