538023-MS6-LRP-1/2-D4-A8-Z Hassas Regülatör
Tahmini Teslimat: Tahmini teslimat tarihi: 17 Aralık 2025
Fiyatı görmek için giriş yapın
Stokta var
Açıklama
- Boyut6
- SeriMS
- Çalıştırma emniyetiKilitli döner düğme
- Montaj konumuherhangi bir
- Tasarımpilot kumandalı hassas diyaframlı regülatör
- Regülatör işleviSabit çıkış basıncı ikincil hava tahliyesi ile
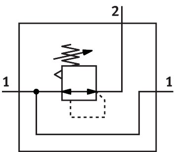
- Sembol00991973
- Basınç göstergesiG1/8 hazırlandı
- Çalışma basıncı0.1 MPa … 1.4 MPa
- Çalışma basıncı1 bar … 14 bar
- Basınç kontrol aralığı0.05 bar … 2.5 bar
- Maks. basınç histerezi0.02 bar
- İkincil hava tahliyesi akışı≥450 l/dak
- Standart nominal debi (DIN 1343’e göre normalleştirilmiş)≥2300 l/dak
- İşletim ortamıISO 8573-1:2010 [7:4:4] uyarınca basınçlı hava Soy gazlar
- İşletim / kontrol ortamı hakkında notEster yağı < 0,1 mg/m³, ISO 8573-1:2010’a göre [-:-:2] Yağlı işletim mümkün değil
- Korozyon direnci sınıfı KBK2 – orta derece korozyona maruziyet
- LABS uygunluğuVDMA24364-B1/B2-L
- Depolama sıcaklığı-10 °C … 60 °C
- Akışkan sıcaklığı-10 °C … 60 °C
- Ortam sıcaklığı-10 °C … 60 °C
- Ürün ağırlığı850 g
- Montaj türüÖn panel montajı Hat kurulumu aksesuarlarla
- Pnömatik bağlantı 1G1/2
- Pnömatik bağlantı 2G1/2
- Pnömatik bağlantı 3G1/4
- Malzeme hakkında notRoHS uyumlu
- Sızdırmazlık elemanları malzemesiNBR
- Gövde malzemesiAlüminyum







