530338-MS6-LFR-1/2-D7-CUM-AS Filtre-Regülatör
Tahmini Teslimat: Tahmini teslimat tarihi: 24 Kasım 2025
Fiyatı görmek için giriş yapın
Stokta var
Açıklama
- Boyut6
- SeriMS
- Çalıştırma emniyetiKilitli döner düğme aksesuarlarla kapatılabilir
- Montaj konumudikey +/- 5 °
- Filtre hassasiyeti5 µm
- Su tahliyeelle dönen
- TasarımManometreli filtre regülatörü
- Maks. yoğuşma miktarı38 ml
- Regülatör işleviSabit çıkış basıncı ikincil hava tahliyesi ile
- Kabuk korumasımetal bir kabuk olarak entegre
- Kondensat ayırma derecesi>75 %
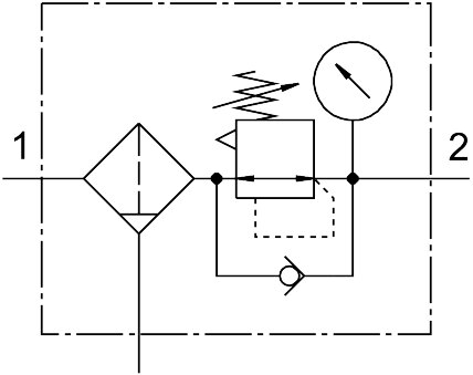
- Sembol00991589
- Basınç göstergesimanometre ile
- Çalışma basıncı0.08 MPa … 2 MPa
- Çalışma basıncı0.8 bar … 20 bar
- Basınç kontrol aralığı0.5 bar … 12 bar
- Maks. basınç histerezi0.025 MPa
- Maks. basınç histerezi0.25 bar
- Maks. basınç histerezi3.625 psi
- Standart nominal debi (DIN 1343’e göre normalleştirilmiş)4000 l/dak
- İşletim ortamıSoy gazlar
- Korozyon direnci sınıfı KBK2 – orta derece korozyona maruziyet
- LABS uygunluğuVDMA24364-B1/B2-L
- Depolama sıcaklığı-10 °C … 60 °C
- Gıdaya uygunlukbkz. Gelişmiş yapı malzemesi bilgisi
- Çıkışta hava saflığı sınıfıISO 8573-1:2010 [6:4:4] uyarınca basınçlı hava
- Akışkan sıcaklığı-10 °C … 60 °C
- Ortam sıcaklığı-10 °C … 60 °C
- Gözenek boyutu<5 µm
- Ürün ağırlığı1087 g
- Montaj türüÖn panel montajı Hat kurulumu aksesuarlarla
- Pnömatik bağlantı 1G1/2
- Pnömatik bağlantı 2G1/2
- Malzeme hakkında notRoHS uyumlu
- Kontrol paneli malzemesiPA POM
- Sızdırmazlık elemanları malzemesiNBR
- Filtre malzemesiPE
- Gövde malzemesiAlüminyum pres döküm
- Diyafram malzemesiNBR
- Kabuk malzemesiDövme alüminyum alaşım
- Ayırma tablası malzemesiPOM




















