529519-MS4-DE-1/4-V110 Güvenli Yol Verme Valfi
Tahmini Teslimat: Tahmini teslimat tarihi: 22 Kasım 2025
Fiyatı görmek için giriş yapın
Stokta var
Açıklama
- Çalıştırma türüelektrikli
- Montaj konumuherhangi bir
- Manuel kumandakilitlemeli basmalı
- TasarımPiston yuvası
- Geri alma türümekanik yay
- Kontrol türüpilot kumandalı
- Pilot hava beslemesidahili
- Akış yönütersine çevrilemez
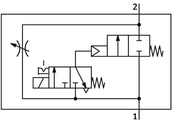
- Sembol00991501
- Valf fonksiyonu2/2
- Anahtarlama konumu göstergesiaksesuarlar ile
- Çalışma basıncı4 bar … 14 bar
- b değeri0.45
- C değeri9.6 l/sbar
- Standart nominal debi (DIN 1343’e göre normalleştirilmiş)2000 l/dak
- Devreye girme süresi100%
- Bobin karakteristik değerleri110 V AC: 50/60 Hz, toplama gücü 3,0 VA, tutma gücü 2,4 VA
- Ruhsatc UL us – Tanınan (OL)
- İşletim ortamıISO 8573-1:2010 [7:4:4] uyarınca basınçlı hava Soy gazlar
- İşletim / kontrol ortamı hakkında notYağlı işletim mümkün (diğer işletimde gerekli)
- Korozyon direnci sınıfı KBK2 – orta derece korozyona maruziyet
- LABS uygunluğuVDMA24364-B1/B2-L
- Gıdaya uygunlukbkz. Gelişmiş yapı malzemesi bilgisi
- Akışkan sıcaklığı-10 °C … 60 °C
- Koruma türüIP65
- Ortam sıcaklığı-10 °C … 60 °C
- Ürün ağırlığı263 g
- Elektrik bağlantısıC formu Soket DIN EN 175301-803’e göre kare tasarım
- Sinyal durumu göstergesiaksesuarlarla
- Montaj türüHat kurulumu aksesuarlarla
- Pnömatik bağlantı 1G1/4
- Pnömatik bağlantı 2G1/4
- Malzeme hakkında notRoHS uyumlu
- Sızdırmazlık elemanları malzemesiNBR
- Gövde malzemesiAlüminyum pres döküm















